自制超声波鱼缸加氧机
超声波是一种频率高于20kHz,人耳听不到的弹性波。当超声波在水中传播时,会产生强烈的“空化作用”生成小气泡,因此对鱼缸的水起到了加氧作用。它的特点是线路简单,无噪音,节电,使用方便.经笔者近二年的使用很理想。
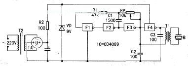
电路原理见附图. 该装置由CD4069及外围元件组成振荡器,FI-F3三门振荡器在F3的输出为20kHz一40kHz方波,工作频率主要由C1,R1和RP决定,用RP(可调电阻)调节振荡频率。
F3输出至激励变压器T1的一端和反向器F4,F4输出至激励变压器T1的另一端,因此,加入F4使激励电压提高了一倍.电容c3、c2平衡F3和F4的输出,使波形稳定。T1的次级接换能器B。
AC220V电源经变压器T2变为AC12V,再经u桥式整流、c4滤波、VD稳压后, 为电路提供DC9V的工作电源。
电路中超声波压电换能器B选用普通压电陶瓷片即可,T1为普通半导体收音机中的输入变压器。反向器F1~F4用CC4069六反向器中的四个反向器,剩余两个不用(输入端应接地)。T2可选用功率为5W的小型电源变压器。U为1A的桥式整流器,也可用四只1N4001代替。VD为9v稳压二极管。
整个电路装在一块印刷线路板上,压电陶瓷片的两个极用塑料软线焊上放入水中即可。也可将压电陶瓷片放入带孔的小型塑料盒或小塑料动物内,使之冒出的气泡更加美观。
调试:检查整个电路元器件安装无误后,将探头放入水中,调RP使之产生的气泡最多就可以了
- 刊登此文只为传递信息,并不表示赞同或者反对作者观点。
- 如果此内容给您造成了负面影响或者损失,本站不承担任何责任。
- 如果内容涉及版权问题,请及时与我们取得联系。
上一篇:电子灭蚊灯原理及维修
下一篇:超廉价充电器拆解

文章评论